Navtex
Navtex là gì và vì sao bắt buộc trong GMDSS
Navtex (Navigational Telex) là hệ thống phát – thu bản tin an toàn hàng hải tự động, truyền dữ liệu dạng văn bản từ trạm bờ đến tàu trên các tần số vô tuyến chuyên dụng. Đây là một trong những phương tiện chính để cung cấp Maritime Safety Information (MSI) trong hệ thống GMDSS, bao gồm: cảnh báo hàng hải, cảnh báo khí tượng, dự báo thời tiết, thông tin tìm kiếm cứu nạn (SAR), thông báo về luồng tuyến, báo hiệu hàng hải và các thông tin khẩn cấp khác.

Khác với VHF hay MF/HF thoại, Navtex là kênh một chiều: tàu chỉ thu, không phát ngược lại. Cách thiết kế này giúp hệ thống đơn giản, ổn định, ít nhiễu, không phụ thuộc vào thao tác liên tục của sĩ quan trực ca. Thiết bị trên tàu tự động quét tần số, giải mã, lọc và hiển thị bản tin, có thể in ra hoặc lưu trữ để tra cứu. Nhờ đó, nguy cơ bỏ sót cảnh báo quan trọng do phải “nghe tay” radio liên tục gần như được loại bỏ.
Trong cấu trúc GMDSS, Navtex được SOLAS quy định là thiết bị bắt buộc đối với đa số tàu thương mại hoạt động trong vùng A1, A2 – nơi có phủ sóng VHF/MF và trạm phát Navtex bờ. Navtex bổ sung cho Inmarsat SafetyNET, VHF DSC, MF/HF DSC, EPIRB, tạo thành mạng lưới an toàn đa lớp. Khi tích hợp với radar, AIS, GPS, ECDIS, INS và hệ thống Bridge Alert Management (BAM), Navtex trở thành một mắt xích quan trọng trong kiến trúc E-navigation hiện đại.

Cấu trúc kỹ thuật và nguyên lý hoạt động Navtex
Về mặt kỹ thuật, Navtex sử dụng chế độ truyền NBDP/F1B (narrow band direct printing) với điều chế FSK tốc độ khoảng 100 baud, mã hóa theo chuẩn ITU-R M.540-2. Dữ liệu được truyền dưới dạng chuỗi ký tự ITA2/ASCII mở rộng, tối ưu cho văn bản thuần, đảm bảo độ tin cậy cao trong môi trường nhiễu trên biển.
Hệ thống Navtex hoàn chỉnh gồm bốn khối chính:
- Trạm phát bờ Navtex: tổng hợp bản tin từ cơ quan khí tượng, cơ quan quản lý hàng hải, trung tâm SAR, cơ quan hoa tiêu, đơn vị quản lý báo hiệu… Sau đó mã hóa, gán mã B1/B2/B3/B4, lập lịch và phát trên tần số được phân bổ.
- Trung tâm điều phối NAVAREA: điều phối nội dung và lịch phát trong từng NAVAREA, tránh trùng lặp, xung đột tần số, đảm bảo bản tin quan trọng được ưu tiên.
- Thiết bị thu Navtex trên tàu: liên tục quét tần số, thu tín hiệu, giải mã, kiểm tra lỗi, lọc theo mã trạm (B1) và loại bản tin (B2), hiển thị hoặc in, đồng thời lưu trữ trong bộ nhớ.
- Antenna Navtex: thường là loop antenna đa hướng, thu sóng LF/MF/HF với độ nhạy cao, có chống nhiễu, chống sét, vỏ chống ăn mòn và tia UV.

Quy trình truyền – nhận cơ bản:
- Trung tâm NAVAREA soạn, kiểm duyệt, phân loại bản tin MSI, gửi đến trạm phát Navtex.
- Trạm phát mã hóa theo ITU-R M.540-2, gán B1 (mã trạm), B2 (loại bản tin), B3/B4 (số thứ tự), phát trên tần số 518 kHz, 490 kHz hoặc 4209.5 kHz theo khung giờ UTC đã phân bổ.
- Antenna trên tàu thu sóng, bộ thu Navtex giải điều chế FSK, kiểm tra lỗi (parity, CRC), tái tạo chuỗi ký tự.
- Thiết bị lọc theo B1/B2, ưu tiên các bản tin bắt buộc (A, B, D, L), lưu vào bộ nhớ, hiển thị trên màn hình, kích hoạt cảnh báo nếu là tin khẩn.
Để tránh nhiễu và chồng lấn, mỗi trạm phát được phân bổ khung giờ phát riêng và một ký tự B1 duy nhất. Thiết bị thu có thể cấu hình chỉ nhận một số trạm nhất định, hoặc chỉ một số loại bản tin, nhưng không được phép tắt các nhóm bắt buộc theo quy định IMO.
Tần số hoạt động và phạm vi phủ sóng Navtex
Navtex hiện sử dụng ba tần số chính:
- 518 kHz: tần số quốc tế, bản tin bằng tiếng Anh, bắt buộc cho MSI toàn cầu.
- 490 kHz: tần số quốc gia, bản tin bằng ngôn ngữ địa phương, cung cấp thông tin chi tiết hơn cho vùng biển nội địa.
- 4209.5 kHz: HF Navtex, dùng cho vùng xa bờ, nơi MF khó phủ sóng, hỗ trợ tàu hoạt động trên đại dương.
Mỗi trạm phát Navtex có vùng phủ sóng điển hình khoảng 200–400 hải lý, phụ thuộc công suất phát, chiều cao anten, điều kiện dẫn sóng mặt đất và tầng điện ly. Lịch phát được điều phối chặt chẽ trong từng NAVAREA để không có hai trạm cùng tần số phát trùng giờ gây nhiễu.
Cấu trúc và phân loại bản tin Navtex (B1, B2, B3, B4)
Mỗi bản tin Navtex có phần đầu chuẩn hóa:
- B1 – mã trạm phát (A–Z): giúp thiết bị nhận biết nguồn phát, cho phép lọc theo trạm.
- B2 – mã loại bản tin: xác định nội dung chính, ví dụ:
- A: Cảnh báo hàng hải (nguy hiểm, chướng ngại, vùng cấm…)
- B: Cảnh báo khí tượng (bão, gió mạnh, sóng lớn…)
- D: Thông tin tìm kiếm cứu nạn (SAR)
- E: Dự báo thời tiết
- F: Thông tin hoa tiêu
- K: Thông tin thiết bị dẫn đường, báo hiệu
- B3/B4 – số thứ tự bản tin (00–99): đánh dấu thứ tự trong ngày, giúp thiết bị tránh hiển thị trùng lặp.
Các nhóm bản tin A, B, D, L được quy định là bắt buộc hiển thị, không được tắt, nhằm đảm bảo mọi cảnh báo an toàn và SAR luôn đến được sĩ quan trực ca. Kết thúc mỗi bản tin là chuỗi “NNNN” báo hiệu end-of-message, giúp bộ thu phân tách chính xác giữa các bản tin liên tiếp.

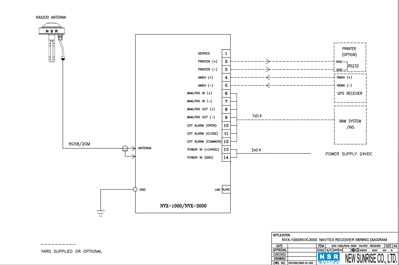
Thiết bị Navtex trên tàu: cấu hình, lắp đặt, tích hợp
Thiết bị Navtex trên tàu phải đáp ứng các tiêu chuẩn hiệu năng và môi trường khắt khe như IEC 61097-6, IEC 60945, IEC 61162, đảm bảo hoạt động ổn định 24/7 trong môi trường rung, ẩm, mặn, nhiễu điện từ cao. Cấu hình cơ bản thường gồm:
- Bộ thu Navtex với màn hình LCD màu 5–7 inch: hiển thị danh sách bản tin, nội dung chi tiết, trạng thái đọc/chưa đọc, bộ lọc theo B1/B2, chức năng phóng to, điều chỉnh độ sáng ngày/đêm.
- Antenna loop ngoài trời: thu đa hướng trên 518/490/4209.5 kHz, vỏ hợp kim chống ăn mòn, phủ chống UV, tích hợp chống sét và lọc nhiễu.
- Nguồn 24V DC: công suất tiêu thụ khoảng 10 W, có mạch bảo vệ quá áp, quá dòng, chống nhiễu.
- Cổng giao tiếp: NMEA 0183/IEC 61162-1, đầu ra cảnh báo (alarm output), data output cho INS/ECDIS/BAM, cổng máy in.
- Bộ nhớ lưu bản tin: tối thiểu 72 giờ, nhiều model hỗ trợ lưu dài hơn hoặc xuất dữ liệu ra ngoài.
Thiết bị hiện đại có thể thu đồng thời 3 tần số, độ nhạy tốt hơn -107 dBm, cho phép nhận tin trong điều kiện sóng yếu. Khi tích hợp với INS/ECDIS, bản tin Navtex có thể được overlay trực tiếp lên bản đồ điện tử, giúp sĩ quan nhìn thấy ngay vùng nguy hiểm, khu vực SAR, vùng cấm, khu vực bão… trên tuyến hành trình.
Yêu cầu lắp đặt antenna và bộ thu Navtex
Để tối ưu hiệu suất, việc lắp đặt Navtex cần tuân thủ một số nguyên tắc kỹ thuật:
- Vị trí antenna:
- Lắp trên boong hoặc cột cao, tầm nhìn thoáng, tránh bị che bởi cấu trúc kim loại lớn.
- Cách xa antenna radar, VHF, MF/HF phát công suất lớn để giảm nhiễu chéo.
- Tránh gần động cơ, máy phát, biến tần, cáp nguồn lớn – các nguồn nhiễu điện từ mạnh.
- Cáp đồng trục:
- Dùng cáp coax chất lượng cao, chiều dài hợp lý, tránh uốn gập gắt, tránh chạy song song lâu với cáp nguồn.
- Đầu nối chống nước, chống ăn mòn, bọc kín tại điểm xuyên boong.
- Nối đất và chống sét:
- Nối đất đúng chuẩn IEC 60945 để giảm nhiễu và bảo vệ thiết bị.
- Bố trí thiết bị chống sét lan truyền trên đường anten và nguồn.
- Bộ thu trong buồng lái:
- Đặt gần vị trí sĩ quan trực ca, dễ quan sát và thao tác.
- Cách la bàn từ tối thiểu theo khuyến cáo nhà sản xuất (thường ≥1 m).
- Cố định chắc chắn, tránh rung lắc, tránh khu vực ẩm ướt, nước bắn trực tiếp.
Vận hành, quản lý bản tin và tích hợp hệ thống
Quy trình vận hành cơ bản của thiết bị Navtex trên tàu gồm:
- Khởi động và kiểm tra: bật nguồn, kiểm tra tự test, xác nhận trạng thái anten, nguồn, bộ nhớ.
- Chọn tần số: kích hoạt 518 kHz (bắt buộc), thêm 490 kHz và/hoặc 4209.5 kHz tùy vùng hoạt động.
- Cấu hình B1/B2: chọn trạm bờ cần nhận (B1), chọn loại bản tin (B2) được phép lọc, nhưng giữ nguyên các nhóm bắt buộc.
- Theo dõi danh sách bản tin: xem theo thời gian, theo trạm, theo loại; đánh dấu đã đọc, gắn tag bản tin quan trọng.
- In và xuất dữ liệu: in bản tin quan trọng, xuất sang INS/ECDIS hoặc hệ thống ghi log.
Khi nhận bản tin ưu tiên cao (ví dụ SAR, cảnh báo bão, cảnh báo hàng hải nghiêm trọng), thiết bị sẽ kích hoạt báo động âm thanh/ánh sáng, đồng thời gửi tín hiệu cảnh báo sang hệ thống BAM. BAM sẽ phân loại mức độ, hiển thị tập trung trên giao diện cầu tàu, giúp sĩ quan không bỏ sót cảnh báo trong môi trường nhiều thiết bị.
Hướng dẫn mua sắm Navtex: tiêu chí kỹ thuật và pháp lý
Khi lựa chọn thiết bị Navtex cho tàu mới hoặc nâng cấp, cần đánh giá đồng thời yếu tố kỹ thuật, pháp lý, điều kiện khai thác và khả năng tích hợp. Một số tiêu chí quan trọng:
Các tiêu chí kỹ thuật cần ưu tiên
Những điểm kỹ thuật nên kiểm tra kỹ trước khi quyết định mua:
- Khả năng thu đa tần số:
- Hỗ trợ tối thiểu: 518 kHz (quốc tế), 490 kHz (quốc gia), 4209.5 kHz (HF).
- Ưu tiên model có khả năng thu đồng thời nhiều tần số để không bỏ sót bản tin khi nhiều trạm phát.
- Độ nhạy thu và khả năng chống nhiễu:
- Độ nhạy tốt hơn -107 dBm là mức tham chiếu tốt cho vùng sóng yếu.
- Có bộ lọc nhiễu, AGC, thuật toán xử lý tín hiệu số để giảm lỗi ký tự.
- Màn hình và giao diện:
- Màn hình LCD màu ≥5–7 inch, độ phân giải đủ cao, đọc tốt trong điều kiện ánh sáng mạnh và ban đêm.
- Giao diện trực quan, hỗ trợ lọc theo B1/B2, tìm kiếm, phóng to, hiển thị trạng thái cảnh báo rõ ràng.
- Bộ nhớ và lưu trữ:
- Lưu tối thiểu 72 giờ bản tin, tốt hơn nếu có thể lưu dài hơn hoặc xuất file.
- Có cơ chế bảo vệ dữ liệu khi mất nguồn đột ngột.
- Giao tiếp hệ thống:
- Hỗ trợ NMEA 0183 / IEC 61162-1 để kết nối INS, ECDIS, VDR, BAM.
- Có alarm output (tiếp điểm khô hoặc logic) cho còi/đèn cảnh báo.
- Cổng máy in hoặc hỗ trợ in qua giao tiếp nối tiếp.
- Điều kiện môi trường:
- Tuân thủ IEC 60945 về nhiệt độ, độ ẩm, rung, sốc, nhiễu điện từ.
- Cấp bảo vệ IP phù hợp vị trí lắp đặt (đặc biệt với anten và hộp nối ngoài trời).

Chứng nhận đăng kiểm và tuân thủ SOLAS
Để thiết bị Navtex được chấp nhận trên tàu thương mại quốc tế, cần đảm bảo:
- Chứng nhận MED Wheelmark (đối với tàu mang cờ EU): chứng minh thiết bị đáp ứng Marine Equipment Directive 2014/90/EU.

- Type Approval theo IEC 61097-6, IEC 60945, IEC 61162, IEC 62288, IEC 62923 (nếu tích hợp BAM).
- Được đăng kiểm bởi các tổ chức như DNV, LR, ABS, BV, CCS… để đáp ứng kiểm tra PSC và yêu cầu của chủ tàu, bảo hiểm.
Việc chọn thiết bị đã có đầy đủ chứng chỉ giúp giảm rủi ro bị lưu giữ tàu, bị yêu cầu thay thế trong đợt kiểm tra, đồng thời đảm bảo tính tương thích với các hệ thống GMDSS khác trên tàu.
Gợi ý thực tế khi lựa chọn Navtex cho từng loại tàu
Khi tư vấn hoặc mua sắm, có thể cân nhắc theo nhóm tàu:
- Tàu hàng, tàu dầu, tàu container tuyến quốc tế:
- Ưu tiên thiết bị Navtex đã tích hợp tốt với INS/ECDIS, có NMEA đầy đủ, hỗ trợ BAM.
- Chọn model có màn hình lớn, bộ nhớ lớn, hỗ trợ in và xuất dữ liệu cho VDR.
- Tàu khách, cruise, ferry:
- Yêu cầu cao về độ tin cậy, cảnh báo rõ ràng, tích hợp chặt với hệ thống an toàn.
- Nên chọn thiết bị có giao diện thân thiện, hỗ trợ đa ngôn ngữ, log cảnh báo chi tiết.
- Tàu dịch vụ dầu khí, tàu công trình, tàu khảo sát:
- Cần khả năng hoạt động ổn định trong vùng nhiễu cao, nhiều thiết bị phát công suất lớn.
- Ưu tiên anten và bộ thu có khả năng chống nhiễu tốt, vỏ thiết bị bền, dễ bảo trì.
- Tàu cá cỡ lớn, tàu nội địa nâng cấp theo chuẩn an toàn:
- Cân bằng giữa chi phí và tính năng, nhưng vẫn phải có chứng nhận tối thiểu theo quy định quốc gia.
- Chú trọng độ bền, dễ sử dụng, ít phải thao tác phức tạp.
Câu hỏi thường gặp (FAQ) về Navtex
Phần hỏi đáp về Navtex tập trung giải thích tính bắt buộc của thiết bị theo SOLAS Chương IV, nhấn mạnh đa số tàu thương mại, tàu khách, tàu hàng hoạt động trong vùng GMDSS A1, A2 phải lắp, trong khi tàu nhỏ hoặc ngoài phạm vi SOLAS có thể chỉ bị ràng buộc bởi luật quốc gia. Nội dung cũng làm rõ phạm vi phủ sóng điển hình 200–400 hải lý, vai trò chủ lực ở ven bờ và sự cần thiết kết hợp với SafetyNET/Inmarsat hoặc HF Navtex khi đi xa. Navtex không phụ thuộc internet hay vệ tinh, hoạt động bằng sóng LF/MF/HF, gần như tự động sau khi cấu hình, chỉ cần kiểm tra và bảo trì định kỳ. Thiết bị không thay thế AIS/Inmarsat mà bổ sung trong GMDSS, đồng thời có bộ nhớ lưu bản tin để tra cứu, lập kế hoạch và phục vụ điều tra an toàn.
Navtex có bắt buộc phải lắp trên mọi tàu không?
Theo SOLAS Chương IV, Navtex là bắt buộc đối với đa số tàu thương mại, tàu khách, tàu hàng đủ trọng tải hoạt động trong vùng A1, A2 thuộc GMDSS. Một số tàu nhỏ, tàu không thuộc phạm vi SOLAS có thể không bắt buộc, nhưng nhiều quốc gia vẫn khuyến nghị hoặc yêu cầu theo luật nội địa. Khi thiết kế hoặc hoán cải tàu, cần đối chiếu quy định cờ tàu và đăng kiểm để xác định chính xác phạm vi bắt buộc.
Navtex hoạt động trong phạm vi bao xa và có dùng được ngoài khơi xa không?
Phạm vi điển hình của một trạm phát Navtex MF là 200–400 hải lý. Trong vùng ven bờ và vùng biển lân cận, Navtex là kênh MSI chủ lực. Khi tàu đi xa hơn, hiệu quả giảm dần do giới hạn sóng mặt đất MF, lúc này cần kết hợp với SafetyNET/Inmarsat hoặc HF Navtex 4209.5 kHz. Vì vậy, Navtex vẫn dùng được ngoài khơi, nhưng phải xem xét vùng phủ sóng thực tế của từng NAVAREA và kết hợp thêm kênh vệ tinh để đảm bảo liên tục.
Navtex có cần internet hoặc vệ tinh để hoạt động không?
Navtex không cần internet, không cần vệ tinh. Hệ thống sử dụng sóng LF/MF/HF truyền trực tiếp từ trạm bờ đến tàu. Điều này giúp Navtex vẫn hoạt động ngay cả khi mất toàn bộ kết nối mạng và vệ tinh, đóng vai trò lớp dự phòng quan trọng trong chiến lược an toàn. Tàu chỉ cần nguồn điện ổn định, anten và bộ thu hoạt động tốt là có thể nhận bản tin.
Navtex có thay thế được AIS hoặc Inmarsat không?
Navtex, AIS và Inmarsat phục vụ mục đích khác nhau:
- Navtex: nhận bản tin an toàn hàng hải dạng văn bản, một chiều, miễn phí, chủ yếu ven bờ.
- AIS: trao đổi dữ liệu nhận dạng, vị trí, tốc độ giữa tàu – tàu, tàu – bờ, hỗ trợ tránh va chạm và VTS.
- Inmarsat/SafetyNET: liên lạc vệ tinh hai chiều, truyền thoại, dữ liệu, MSI toàn cầu.
Không hệ thống nào thay thế hoàn toàn hệ thống khác. Trong GMDSS, chúng được thiết kế để bổ sung lẫn nhau, tạo nhiều lớp an toàn. Navtex vẫn là kênh MSI chuẩn, đặc biệt hiệu quả ở vùng ven bờ, chi phí vận hành thấp.
Navtex có phải thao tác thường xuyên hay hoạt động hoàn toàn tự động?
Sau khi lắp đặt và cấu hình ban đầu (chọn tần số, B1, B2), Navtex hoạt động gần như hoàn toàn tự động. Thiết bị tự thu, giải mã, lọc, lưu và hiển thị bản tin. Sĩ quan chỉ cần:
- Kiểm tra định kỳ trạng thái thiết bị, anten, nguồn.
- Xem, đánh dấu, in hoặc chuyển tiếp các bản tin quan trọng.
- Kiểm tra bộ nhớ, xóa/lưu trữ dài hạn nếu cần.
Việc bảo trì định kỳ (vệ sinh anten, kiểm tra cáp, cập nhật firmware nếu có) là cần thiết để đảm bảo thiết bị luôn sẵn sàng trong mọi chuyến đi.
Navtex có lưu được bản tin để tra cứu lại không?
Hầu hết thiết bị Navtex hiện đại đều có bộ nhớ trong lưu bản tin đã nhận ít nhất 72 giờ, nhiều model cho phép lưu lâu hơn hoặc xuất file. Chức năng này rất quan trọng cho:
- Tra cứu lại cảnh báo, dự báo thời tiết đã phát.
- Lập kế hoạch hành trình, đánh giá rủi ro dựa trên chuỗi bản tin.
- Lưu bằng chứng trong điều tra tai nạn, báo cáo an toàn, phân tích sau hành trình.
Một số hệ thống còn tích hợp với VDR hoặc server dữ liệu trên tàu, giúp lưu trữ dài hạn và phân tích tập trung, phục vụ quản lý đội tàu theo chuẩn ISM/ISO.
Cảm ơn bạn đã đọc bài !
Bạn có thể tham khảo sản phảm Navtex NVX-3000
Nếu bạn cần hỗ trợ thêm thông tin, xin liên hệ theo,
Thông tin liên hệ và kết nối
MarineZone
Địa chỉ: Số 144, tổ 6, phường Phú Diễn, Hà Nội
Điện thoại/Zalo: 0865.085.436
Website: marinezone.vn
Các mạng xã hội chính thức: