Định vị vệ tinh tàu biển là thiết bị thu tín hiệu vệ tinh để xác định vị trí, tốc độ, hướng của tàu biển. Bài viết hướng dẫn cách lắp đặt, lưu ý khi sử dụng
1. Định vị vệ tinh tàu biển là gì
Định vị vệ tinh tàu biển là hệ thống sử dụng tín hiệu từ các vệ tinh quay quanh Trái Đất để xác định vị trí, tốc độ và hướng di chuyển của tàu trong thời gian thực, đồng thời cung cấp dữ liệu này cho các thiết bị điều hướng khác hoạt động đồng bộ.
Trong thực tế, khi nhắc đến các thuật ngữ như gps tàu biển, thiết bị định vị tàu biển hay máy định vị hàng hải, người sử dụng thường đang đề cập đến các thiết bị GNSS được thiết kế riêng cho môi trường hàng hải, có khả năng hoạt động ổn định trong điều kiện rung, nhiễu và thời tiết khắc nghiệt.
Khác với thiết bị GPS dân dụng, một thiết bị định vị trên tàu không chỉ dừng lại ở việc hiển thị tọa độ mà còn phải đảm bảo khả năng cung cấp dữ liệu liên tục, có kiểm tra độ tin cậy và đáp ứng các tiêu chuẩn kỹ thuật quốc tế để có thể tích hợp vào hệ thống điều hướng của tàu.
2. GPS và GNSS trong hàng hải
2.1 Khái niệm GPS
GPS (Global Positioning System) là hệ thống vệ tinh do Hoa Kỳ phát triển, hoạt động dựa trên việc phát tín hiệu thời gian từ các vệ tinh xuống thiết bị thu để tính toán vị trí.
Tuy nhiên, nếu chỉ sử dụng riêng GPS, thiết bị sẽ phụ thuộc hoàn toàn vào một hệ vệ tinh, điều này có thể làm giảm độ ổn định trong một số điều kiện nhất định.
2.2 Khái niệm GNSS
GNSS (Global Navigation Satellite System) là khái niệm tổng quát hơn, bao gồm nhiều hệ vệ tinh hoạt động song song, trong đó phổ biến nhất hiện nay là:
* GPS (Hoa Kỳ)
* GLONASS (Nga)
* BeiDou (Trung Quốc)
Trong các thiết bị định vị tàu biển hiện đại, bộ thu GNSS thường được thiết kế để nhận đồng thời tín hiệu từ nhiều hệ vệ tinh nhằm tăng độ ổn định và giảm khả năng mất tín hiệu khi một hệ bị suy giảm.
Hiện nay nhiều model thiết bị hỗ trợ đồng thời nhiều hệ GNSS và có khả năng theo dõi nhiều vệ tinh cùng lúc, giúp duy trì khả năng định vị ổn định trong quá trình khai thác
3. Vai trò của thiết bị định vị tàu biển trong hệ thống navigation
Trong hệ thống điều hướng của tàu biển, máy định vị hàng hải không phải là một thiết bị hoạt động độc lập mà đóng vai trò như một nguồn dữ liệu trung tâm, cung cấp thông tin vị trí cho toàn bộ các thiết bị khác.
Cụ thể, dữ liệu từ GNSS được sử dụng bởi:
* AIS để phát vị trí tàu ra bên ngoài
* Radar để hiển thị overlay vị trí và mục tiêu
* ECDIS để hiển thị tàu trên bản đồ điện tử
* Autopilot để giữ hướng và tuyến hành trình
Điều này dẫn đến một đặc điểm quan trọng là mọi sai lệch hoặc gián đoạn từ hệ thống GNSS đều có thể lan sang toàn bộ hệ thống điều hướng, gây ảnh hưởng trực tiếp đến việc vận hành tàu.
4. Nguyên lý hoạt động của định vị vệ tinh tàu thuỷ
Nguyên lý hoạt động của gps tàu biển dựa trên việc xác định khoảng cách từ thiết bị đến nhiều vệ tinh khác nhau, sau đó sử dụng phương pháp hình học để tính toán vị trí của tàu.
Quá trình này diễn ra theo trình tự:
* vệ tinh phát tín hiệu chứa thông tin thời gian
* antenna trên tàu nhận tín hiệu này
* thiết bị tính toán thời gian truyền để suy ra khoảng cách
* sử dụng dữ liệu từ nhiều vệ tinh để xác định vị trí
Để xác định vị trí trong không gian ba chiều, thiết bị cần tối thiểu bốn vệ tinh hoạt động đồng thời, trong đó một vệ tinh được sử dụng để hiệu chỉnh sai số thời gian của đồng hồ trong thiết bị.
5. Các yếu tố ảnh hưởng đến độ chính xác GNSS
Độ chính xác của thiết bị định vị tàu biển không phải là một giá trị cố định mà phụ thuộc vào nhiều yếu tố khác nhau trong quá trình vận hành.
5.1 Hình học vệ tinh (HDOP)
HDOP (Horizontal Dilution of Precision) phản ánh mức độ phân bố của các vệ tinh trong không gian.
* khi vệ tinh phân bố đều → HDOP thấp → độ chính xác cao
* khi vệ tinh tập trung một phía → HDOP cao → sai số tăng
5.2 Số lượng vệ tinh
Mặc dù thiết bị có thể theo dõi nhiều vệ tinh, nhưng số lượng vệ tinh thực sự được sử dụng trong tính toán mới là yếu tố quan trọng.
Trong các thiết bị như NGR-3000, bộ thu có thể theo dõi nhiều vệ tinh cùng lúc để đảm bảo luôn có đủ dữ liệu cho việc tính toán vị trí
5.3 Môi trường lắp đặt định vị vệ tinh tàu biển.
Vị trí lắp antenna có ảnh hưởng rất lớn đến chất lượng tín hiệu, đặc biệt trong các trường hợp:
* bị che khuất bởi kết cấu tàu
* nằm trong vùng quét radar
* gần antenna VHF
5.4 Nhiễu điện từ
Các nguồn nhiễu từ thiết bị điện tử trên tàu có thể làm suy giảm chất lượng tín hiệu GNSS, dẫn đến sai số hoặc mất fix trong một số trường hợp.
6. Cấu trúc hệ thống GPS tàu biển
Một hệ thống định vị vệ tinh tàu thuỷ tiêu chuẩn thường bao gồm các thành phần chính được thiết kế để hoạt động đồng bộ với nhau.
6.1 Antenna GNSS
Antenna được lắp đặt ngoài trời, thường ở vị trí cao để đảm bảo không bị che khuất, có nhiệm vụ thu tín hiệu từ vệ tinh và truyền về bộ xử lý.
6.2 Bộ xử lý trung tâm (GNSS Navigator)
Đây là thành phần thực hiện các phép tính định vị và hiển thị dữ liệu cho người vận hành.
Trong thiết bị như NGR-3000, bộ xử lý này được tích hợp màn hình hiển thị màu, cho phép theo dõi đầy đủ các thông số điều hướng
6.3 Hệ thống truyền dữ liệu
Thiết bị GNSS cung cấp dữ liệu cho các thiết bị khác thông qua các chuẩn giao tiếp như NMEA 0183, sử dụng tín hiệu RS422 để đảm bảo truyền dữ liệu ổn định.
7. Sơ đồ hệ thống GNSS trên tàu
Sơ đồ cơ bản:
Antenna GNSS
↓
GNSS Navigator
↓
NMEA Output
↓
AIS / Radar / ECDIS / Autopilot
Trong sơ đồ này, thiết bị GNSS đóng vai trò trung tâm, cung cấp dữ liệu cho toàn bộ hệ thống điều hướng, và mọi thiết bị khác đều phụ thuộc vào nguồn dữ liệu này để hoạt động chính xác.
8. Dữ liệu GNSS và chuẩn NMEA
8.1 Chuẩn NMEA 0183
Chuẩn NMEA 0183 là phương thức truyền dữ liệu phổ biến trong hàng hải, cho phép các thiết bị trao đổi thông tin với nhau theo định dạng chuẩn hóa.
8.2 Các câu dữ liệu GNSS
Các dữ liệu từ máy định vị hàng hải được đóng gói thành các câu NMEA, trong đó phổ biến gồm:
* GGA: thông tin vị trí
* RMC: dữ liệu điều hướng
* VTG: tốc độ và hướng
* ZDA: thời gian
8.3 Vai trò của dữ liệu trong hệ thống
Các thiết bị khác nhau sẽ sử dụng các câu dữ liệu khác nhau để phục vụ chức năng của mình, do đó việc cấu hình đúng dữ liệu đầu ra là rất quan trọng trong quá trình lắp đặt.
9. Vai trò GNSS trong hệ thống bridge hiện đại
Trong các hệ thống tàu hiện đại, GNSS không còn là một thiết bị độc lập mà được tích hợp vào hệ thống điều hướng tổng thể, bao gồm các hệ thống như INS (Integrated Navigation System) và BAM (Bridge Alert Management).
Thiết bị như NGR-3000 có khả năng kết nối với các hệ thống này thông qua các cổng giao tiếp chuyên dụng, cho phép đồng bộ dữ liệu và cảnh báo giữa các thiết bị trên bridge
Trong hệ thống hàng hải, gps tàu biển thực chất là một phần của hệ thống GNSS hoàn chỉnh, có nhiệm vụ cung cấp dữ liệu vị trí liên tục và đáng tin cậy cho toàn bộ hệ thống điều hướng.
Thiết bị này đóng vai trò trung tâm trong việc đảm bảo sự chính xác và đồng bộ của các thiết bị như radar, AIS và ECDIS, và là một thành phần không thể thiếu trong cấu trúc navigation của tàu biển hiện đại.
10. Cấu hình bộ thu GNSS
Trong các thiết bị định vị tàu biển hiện nay, cấu hình bộ thu GNSS là yếu tố quyết định trực tiếp đến khả năng duy trì tín hiệu liên tục và ổn định trong quá trình vận hành, đặc biệt khi tàu hoạt động trong các khu vực có điều kiện môi trường phức tạp.
Một bộ thu GNSS hiện đại không còn giới hạn ở việc xử lý tín hiệu từ một hệ vệ tinh duy nhất mà được thiết kế để tiếp nhận đồng thời nhiều hệ khác nhau, từ đó tạo ra một nghiệm định vị ổn định hơn.
Theo tài liệu kỹ thuật, thiết bị NGR-3000 sử dụng bộ thu đa hệ với khả năng tiếp nhận đồng thời GPS, GLONASS và BeiDou, đồng thời hỗ trợ theo dõi nhiều vệ tinh song song nhằm đảm bảo luôn có đủ dữ liệu đầu vào cho quá trình tính toán
Việc sử dụng multi-GNSS không chỉ giúp tăng số lượng vệ tinh khả dụng mà còn làm giảm nguy cơ mất tín hiệu trong các tình huống như tàu đi gần công trình lớn, khu vực cảng hoặc vùng có địa hình che chắn.
11. Hiệu năng định vị
Hiệu năng của một máy định vị hàng hải không chỉ được đánh giá qua độ chính xác mà còn bao gồm khả năng cập nhật liên tục và thời gian phản hồi của hệ thống.
11.1 Độ chính xác vị trí
Theo thông số của NGR-3000, độ chính xác định vị có thể đạt khoảng **2.5 mét (95%)**, với điều kiện môi trường tín hiệu tốt và giá trị HDOP nằm trong giới hạn cho phép
Tuy nhiên, trong thực tế vận hành, giá trị này có thể thay đổi tùy thuộc vào điều kiện thu tín hiệu và cấu hình hệ thống.
11.2 Thời gian xác định vị trí
Thiết bị cần một khoảng thời gian nhất định để xác định vị trí sau khi khởi động:
* Cold start: khoảng 45 giây
* Warm start: khoảng 30 giây
Thông số này phản ánh khả năng thiết bị khôi phục trạng thái làm việc sau khi mất nguồn hoặc khi vừa khởi động lại.
11.3 Chu kỳ cập nhật dữ liệu
Thiết bị GNSS thường có chu kỳ cập nhật vị trí khoảng 1 giây, điều này cho phép dữ liệu được truyền tới các thiết bị khác gần như theo thời gian thực, đảm bảo tính liên tục của hệ thống điều hướng.
11.4 Khả năng theo dõi tốc độ cao
Thiết bị có thể theo dõi tốc độ lên tới 999 knots, điều này cho thấy hệ thống vẫn duy trì ổn định ngay cả trong các điều kiện thay đổi vận tốc nhanh hoặc khi tàu di chuyển ở tốc độ cao
12. Cơ chế RAIM (Integrity)
Trong các thiết bị định vị tàu biển đạt chuẩn IMO, việc xác định vị trí chính xác là chưa đủ, mà còn cần phải đánh giá được mức độ tin cậy của dữ liệu đó thông qua các cơ chế kiểm tra integrity.
12.1 Nguyên lý RAIM
RAIM (Receiver Autonomous Integrity Monitoring) là cơ chế sử dụng dữ liệu từ nhiều vệ tinh để kiểm tra tính nhất quán của nghiệm định vị, từ đó phát hiện các sai số bất thường.
Theo mô tả trong manual, hệ thống RAIM sẽ:
* sử dụng nhiều vệ tinh hơn mức tối thiểu cần thiết
* thực hiện tính toán dư thừa
* so sánh các kết quả để phát hiện sai lệch
12.2 Điều kiện hoạt động của RAIM
Để RAIM hoạt động hiệu quả, hệ thống cần:
* tối thiểu 5 vệ tinh “healthy”
* phân bố vệ tinh hợp lý
Nếu điều kiện này không được đáp ứng, hệ thống có thể không xác nhận được độ tin cậy của vị trí dù vẫn có dữ liệu định vị.
12.3 Trạng thái RAIM
Trong vận hành, RAIM được biểu thị bằng các trạng thái:
* SAFE: dữ liệu đáng tin cậy
* CAUTION: độ tin cậy giảm
* UNSAFE: không nên sử dụng
Các trạng thái này được hiển thị trực tiếp trên màn hình và có thể được truyền tới hệ thống cảnh báo chung.
13. HDOP và sai số trong thực tế
HDOP là một tham số quan trọng phản ánh chất lượng hình học của các vệ tinh được sử dụng trong quá trình định vị.
13.1 Ý nghĩa của HDOP
HDOP không phải là sai số trực tiếp mà là hệ số thể hiện mức độ khuếch đại sai số do hình học vệ tinh gây ra.
* HDOP thấp → độ chính xác cao
* HDOP cao → sai số tăng
13.2 Ảnh hưởng trong vận hành
Trong các thiết bị GNSS hàng hải, khi HDOP vượt quá một ngưỡng nhất định (ví dụ >4), hệ thống sẽ đưa ra cảnh báo để người vận hành kiểm tra lại điều kiện tín hiệu.
13.3 Mối quan hệ với môi trường
Giá trị HDOP chịu ảnh hưởng bởi:
* vị trí tàu so với vệ tinh
* thời điểm trong ngày
* điều kiện che khuất
Do đó, cùng một thiết bị nhưng HDOP có thể thay đổi theo thời gian và vị trí địa lý.
14. Cấu hình dữ liệu và output
Trong hệ thống tàu, thiết bị định vị tàu biển phải cung cấp dữ liệu cho nhiều thiết bị khác nhau, do đó cấu hình output là một yếu tố quan trọng.
14.1 Chuẩn giao tiếp của định vị vệ tinh tàu biển
Thiết bị sử dụng:
* NMEA 0183
* IEC 61162
với giao tiếp RS422 để đảm bảo truyền dữ liệu ổn định trong môi trường nhiễu cao.
14.2 Số lượng cổng output
Tuỳ theo nhà sản xuất, hoặc model mà có cổng ra output khác nhau, của NGR-3000 cung cấp:
* tối đa 3 cổng GNSS output
Điều này cho phép kết nối trực tiếp nhiều thiết bị mà không cần bộ chia trong các cấu hình cơ bản
14.3 Cấu hình tốc độ truyền
Baud rate có thể cấu hình:
* 4800
* 9600
* 19200
* 38400 bps
15. Các câu dữ liệu GNSS
Các dữ liệu từ GNSS được đóng gói thành các câu NMEA để truyền tới các thiết bị khác.
15.1 Các câu cơ bản
Theo manual, các câu dữ liệu phổ biến gồm:
* GGA: vị trí
* RMC: navigation
* VTG: tốc độ
* ZDA: thời gian
15.2 Cấu hình sentence
Thiết bị cho phép:
* chọn loại sentence
* cấu hình chu kỳ gửi (1s / 2s / 5s / 10s)
* chọn version NMEA
15.3 Ý nghĩa trong hệ thống
Việc cấu hình đúng sentence quyết định:
* AIS có nhận đúng vị trí hay không
* Radar có hiển thị chính xác hay không
* ECDIS có đồng bộ dữ liệu hay không
16. Kết nối với hệ thống trên tàu
Trong thực tế, GNSS thường được kết nối đồng thời với nhiều thiết bị khác nhau trong hệ thống navigation.
16.1 Kết nối với AIS
AIS sử dụng dữ liệu vị trí để phát thông tin tàu ra ngoài, do đó yêu cầu dữ liệu GNSS phải liên tục và ổn định.
16.2 Kết nối với Radar
Radar sử dụng dữ liệu GNSS để hiển thị overlay vị trí và đồng bộ với hệ tọa độ.
16.3 Kết nối với ECDIS
ECDIS sử dụng dữ liệu GNSS để hiển thị vị trí tàu trên bản đồ điện tử và tính toán tuyến hành trình.
16.4 Kết nối với Autopilot
Autopilot sử dụng dữ liệu GNSS để giữ hướng và điều khiển tàu theo waypoint.
17. Tích hợp BAM / INS
Trong các hệ thống tàu hiện đại, GNSS còn tham gia vào hệ thống quản lý cảnh báo và điều hướng tích hợp.
17.1 Bridge Alert Management (BAM)
GNSS có thể gửi trạng thái cảnh báo như:
* mất vị trí
* HDOP cao
* lỗi integrity
đến hệ thống BAM để hiển thị tập trung.
17.2 Integrated Navigation System (INS)
GNSS là một phần của INS, nơi dữ liệu từ nhiều thiết bị được tổng hợp và xử lý để hỗ trợ điều hướng.
18. Nguồn điện và điều kiện môi trường
18.1 Nguồn cấp
Thiết bị hoạt động với:
* nguồn DC 24V
* dải 12–36V
* dòng tiêu thụ thấp
18.2 Điều kiện môi trường
Thiết bị được thiết kế để hoạt động trong môi trường hàng hải:
* nhiệt độ rộng
* độ ẩm cao
* chống nước (antenna IP66)
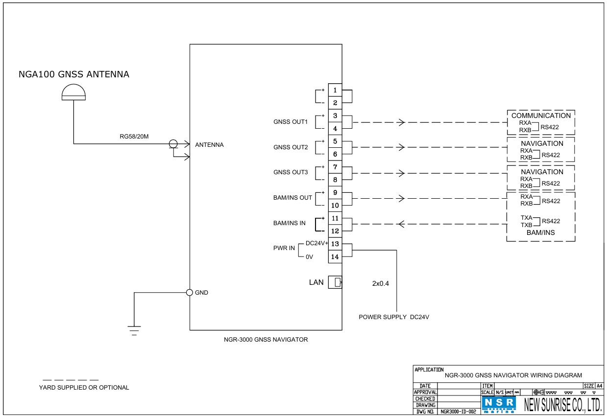
19. Cấu hình điển hình của NGR-3000
Một cấu hình điển hình của thiết bị định vị tàu biển bao gồm:
* 01 main unit
* 01 antenna NGA100
* cáp kết nối RG58
* phụ kiện lắp đặt
Ngoài ra, hệ thống có thể mở rộng với:
* bộ DGNSS beacon
* bộ phân phối NMEA
Trong một máy định vị hàng hải, cấu hình kỹ thuật không chỉ nằm ở thông số mà còn ở khả năng xử lý tín hiệu, kiểm tra độ tin cậy và phân phối dữ liệu cho toàn bộ hệ thống.
Thiết bị như NGR-3000 thể hiện rõ cấu trúc của một hệ GNSS hàng hải hiện đại, nơi tất cả các thành phần từ bộ thu, xử lý tín hiệu đến giao tiếp dữ liệu đều được thiết kế để đảm bảo tính liên tục và ổn định trong vận hành.
20. Khi chọn thiết bị định vị tàu biển cần chú ý
Trong thực tế mua sắm và lắp đặt, việc lựa chọn một thiết bị định vị tàu biển không thể dựa trên một thông số đơn lẻ như độ chính xác, mà cần đánh giá tổng thể từ tiêu chuẩn kỹ thuật, khả năng tích hợp cho đến điều kiện khai thác của tàu.
Tiêu chuẩn và chứng nhận
Thiết bị cần đáp ứng:
* SOLAS V/18, V/19
* IMO MSC.112(73)
* IEC 61108-1
Với thiết bị như NGR-3000, tài liệu chứng nhận cho thấy thiết bị thuộc nhóm GNSS Equipment theo MED và có chứng nhận DNV, cho phép sử dụng trên tàu SOLAS
Khả năng thu đa hệ vệ tinh
Một gps tàu biển hiện đại cần hỗ trợ:
* GPS
* GLONASS
* BeiDou
Điều này giúp đảm bảo tín hiệu ổn định trong các điều kiện khai thác khác nhau, đặc biệt khi tàu hoạt động gần bờ hoặc khu vực có che chắn.
Số lượng cổng dữ liệu
Trong cấu hình thực tế, GNSS thường phải cấp dữ liệu cho nhiều thiết bị cùng lúc, do đó:
* nên có tối thiểu 2–3 cổng output
* hỗ trợ RS422
* cấu hình được baud rate
Thiết bị như NGR-3000 có tối đa 3 cổng output GNSS, cho phép kết nối trực tiếp nhiều thiết bị
Khả năng tích hợp hệ thống
Thiết bị cần tương thích với:
* AIS
* Radar
* ECDIS
* Autopilot
* hệ thống BAM / INS
Việc có cổng BAM/INS giúp thiết bị dễ tích hợp vào các hệ thống bridge hiện đại.
Khả năng nâng cấp
Trong một số trường hợp yêu cầu độ chính xác cao, thiết bị cần hỗ trợ nâng cấp DGNSS thông qua beacon receiver.
21. Thiết bị này thường bị hiểu sai
Một hiểu lầm phổ biến:
Chỉ cần thiết bị có độ chính xác khoảng 2–3 mét là đủ để đánh giá chất lượng của một máy định vị hàng hải.
Thực tế:
Độ chính xác danh định chỉ phản ánh điều kiện lý tưởng, trong khi hiệu năng thực tế phụ thuộc vào:
* vị trí lắp antenna
* môi trường tín hiệu
* cấu hình hệ thống
Một thiết bị có thông số tốt nhưng lắp đặt không đúng vẫn có thể cho kết quả không ổn định.
Một hiểu lầm khác:
Thiết bị GNSS có thể thay thế hoàn toàn các thiết bị điều hướng khác.
Thực tế:
GNSS chỉ cung cấp dữ liệu vị trí, còn việc hiển thị và xử lý điều hướng phụ thuộc vào:
* radar
* ECDIS
* autopilot
22. Sơ đồ hệ thống thực tế
Cấu hình phổ biến:
Antenna GNSS
↓
GNSS Navigator
↓
NMEA Output
↓
AIS / Radar / ECDIS / Autopilot

Trong cấu hình này, thiết bị định vị tàu biển đóng vai trò là nguồn dữ liệu trung tâm, cung cấp thông tin cho toàn bộ hệ thống điều hướng, và bất kỳ sai lệch nào cũng sẽ ảnh hưởng trực tiếp đến các thiết bị liên quan.
23. FAQ – các câu hỏi thường gặp
GPS tàu biển có cần internet không?
Không, thiết bị hoạt động dựa trên tín hiệu vệ tinh và không phụ thuộc vào kết nối internet.
Sai số của máy định vị hàng hải là bao nhiêu?
Thông thường khoảng 2–3 mét trong điều kiện tiêu chuẩn, và có thể thấp hơn khi sử dụng DGNSS.
GNSS và GPS khác nhau như thế nào?
GPS là một hệ vệ tinh, trong khi GNSS là hệ thống tổng hợp nhiều hệ vệ tinh.
Có cần dùng DGNSS không?
Không bắt buộc trong mọi trường hợp, nhưng cần thiết khi yêu cầu độ chính xác cao, đặc biệt trong khu vực cảng.
24. Tổng kết kỹ thuật
Qua toàn bộ nội dung, có thể thấy rằng gps tàu biển không chỉ là một thiết bị đơn lẻ mà là một phần trong hệ thống GNSS hoàn chỉnh, đóng vai trò cung cấp dữ liệu vị trí cho toàn bộ hệ thống điều hướng.
Một thiết bị định vị tàu biển cần đảm bảo:
* tuân thủ tiêu chuẩn IMO
* thu đa hệ vệ tinh
* có cơ chế kiểm tra sai số
* có khả năng kết nối hệ thống
Hệ thống định vị vệ tinh tàu biển là nền tảng của toàn bộ hệ thống điều hướng, nơi mọi thiết bị khác đều phụ thuộc vào dữ liệu vị trí để hoạt động chính xác.
Việc hiểu đúng cấu trúc, nguyên lý và cách lựa chọn thiết bị sẽ giúp đảm bảo hệ thống hoạt động ổn định và phù hợp với điều kiện khai thác thực tế của tàu.